OMRON - OMRD4NL4EFGB-133820 FC,BLOCCO,M20,2NC/1NO+1NC/1NO,BLOCCOSOLE

Melden Sie sich an, um Preise und Verfügbarkeit anzuzeigen
Haupteigenschaften
Art der Zuhaltung - Arbeitsstromprinzip
Anzahl der Kontakte als Öffner - 3
Anzahl der Kontakte als Schließer - 2
Mit Fluchtentriegelung - ja
Mit Statusanzeige - ja
Packung
1 ST
Produktserien
EAN
4536854898723
Artikelnummer
OMRD4NL4EFGB-133820
Herstellernummer
D4NL4EFGB-133820
Hersteller
OMR
Art der Zuhaltung:
Arbeitsstromprinzip
Anzahl der Kontakte als Öffner:
3
Anzahl der Kontakte als Schließer:
2
Mit Fluchtentriegelung:
ja
Mit Statusanzeige:
ja
Zuhaltekraft:
1300 N
Geeignet für Sicherheitsfunktionen:
ja
Anzahl der sicherheitsgerichteten Hilfskontakte:
0
Bemessungssteuerspeisespannung Us Magnetantrieb bei AC 50 Hz:
0...0 V
Bemessungssteuerspeisespannung Us Magnetantrieb bei AC 60 Hz:
0...0 V
Ausführung des Schaltglieds:
Schleichschaltglied
Bemessungssteuerspeisespannung Us Magnetantrieb bei DC:
20.4...26.4 V
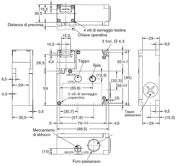
Breite des Sensors:
88.5 mm
Höhe des Sensors:
35.5 mm
Länge des Sensors:
95 mm
Ausführung des elektrischen Anschlusses:
Kabeleinführung (metrisch)
Anzahl der Kontakte als Wechsler:
0
Explosionsschutz-Kategorie für Gas:
ohne
Explosionsschutz-Kategorie für Staub:
ohne
Bemessungsbetriebsstrom Ie bei AC-15, 24 V:
0 A
Bemessungsbetriebsstrom Ie bei AC-15, 125 V:
3 A
Bemessungsbetriebsstrom Ie bei AC-15, 230 V:
0 A
Bemessungsbetriebsstrom Ie bei DC-13, 24 V:
0 A
Bemessungsbetriebsstrom Ie bei DC-13, 125 V:
0.27 A
Bemessungsbetriebsstrom Ie bei DC-13, 230 V:
0 A
Gehäusebauform:
Sonderbauform
Werkstoff des Gehäuses:
sonstige
Beschichtung Gehäuse:
sonstige
Ausführung der Schnittstelle:
ohne
Ausführung der Schnittstelle für sicherheitsgerichtete Kommunikation:
ohne
Umgebungstemperatur während des Betriebs:
-10...55 °C
Schutzart (IP):
IP67
Schutzart (NEMA):
sonstige



