ELCART DISTRIBUTION - ERT020007200 CA9PV10-220KA2020-SH - 020007200

Melden Sie sich an, um Preise und Verfügbarkeit anzuzeigen
Packung
250 ST
EAN
7449071771250
Artikelnummer
ERT020007200
Herstellernummer
020007200
Hersteller
ERT
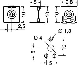
TRIMMER A STRATO DI CARBONE ACP 10x10 MONTAGGIO ORIZZONTALE REGOLAZIONE VERTICALE ROTORE CON TAGLIO PER CACCIAVITE. MAX POT. A 40°C:0,15 W. MAX TENS.:200 VCC. ANG. ROTAZIONE: 240° ± 5 °. TOLLERANZA:±20%. TEMP. LAV.:25°C ÷+70°C. CURVA:lineare. PASSO:5x10mm. CA9PV10-220KA2020.



